Electronics and SoftwareEngineering Innovation
Home
Home
Login
Logout
User Preferences
Information
Contacts & Details
Directions
Clients
Products
Products
BMeasure-125i
Services
Services
Examples
Support
Support
Dune Support
Cern Support
Open Source Drivers
Chase Scientific Drivers
Blacknest Support
Hide menu
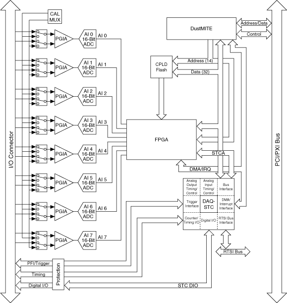
Block Diagram (NI 6143)
The following figure shows a block diagram for the NI 6143.